500元4小时不限次数品茶,北京品茶上课QQ,桂林养生

当前位置:首页 > 新闻中心 > 公司动态 ? 正文

冷冻机的原理

1.冷冻机的原理
制冷压缩系统的循环原理
1.1制冷系统的概述
制冷系统两个流程。
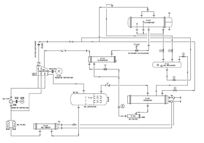
请参照下方的示意图:1 - 1,分为:制冷剂和润滑油。
 一是制冷剂的循环:从压缩机排出的制冷剂气体,通过蒸发器,这个线路是一个封闭的循环。
二是用于润滑压缩机的润滑的循环:润滑油从油分离器,通过压缩机,这个线路也是一个闭式循环。
两条线路组成了制冷系统,并且每一个线路的构成设备都是必须的。
制冷压缩机系统的循环原理
1.2制冷系统中的制冷剂循环
制冷装置使用制冷剂的蒸发潜热冷却载冷剂。在这个制冷设备制冷剂循环对载冷剂提供不间断的冷却。以下是一个示意性解释了制冷剂的制冷设备。
① 蒸发过程
低温和低压的液体制冷剂在蒸发器的壳层,通过与载冷剂换热,蒸发变成低温低压的制冷剂气体。
②加压过程
低温、低压制冷剂蒸汽中的细小的异物被吸气过滤器拦截。
制冷剂气体,吸入压缩机后,被提压成高压制冷剂气体(排气口制冷剂蒸汽)。
排出的为制冷剂和油混合,因此在油气分离器中分离,然后排入水冷冷凝器。
③冷凝过程
高压制冷剂气体进入水冷冷凝器的壳程,气体和液体的制冷剂,与换热管中的冷却水进行换热。
④膨胀过程
从贮液空间出来的高压制冷剂进入膨胀阀。
经过膨胀阀节流的制冷剂液体变成低压,低温低压的制冷剂进入蒸发器。
除了上述之外,当冷冻水负荷较小时,为了保持压缩机的吸气压力,从冷凝器引出制冷剂气体以维持压缩机吸气压力(热气旁通)。
这种制冷设备中,制冷剂管线和其必备设备,更像一个封闭的循环。
 
2.3制冷剂系统中的润滑油循环
除了制冷剂管线,润滑油主要用于系统中的压缩机润滑。
下方为结合示意图说明。
①油分离器
进入油分离器的高压气体为油和制冷剂的混合,混合制冷剂气体在油气分离中分为制冷剂和油。
高压油从油分的下方排出,流入油冷却器。
②油冷却
润滑油进入圆柱形的油冷却器,并与换热管中的冷冻水进行热交换,冷却到粘度适合润滑的温度。
③供给压缩机
油管线中的细小杂物通过油过滤器时被拦截,油进入油泵吸入口。
经油泵提压,为压缩机供油,主要润滑部位为压缩机轴承。
此外,一些油泵出口的一些润滑油用于能调电磁阀驱动。润滑油供应滑阀,完成能调操作后,回到吸入口。
④压缩机润滑
轴承,润滑油供给轴承保护后,混合着压缩机内的制冷剂气体,排入了油分离器。
用于能量控制润滑油,混合制冷剂气体进入压缩机,然后经过压缩,后被排出后进入压缩机的吸气侧。
 
2.4润滑机理
提供给压缩机的润滑油有以下几个用途:
a润滑转子和轴承
b密封转子与壳体之间的间隙
c冷却压缩气体
Fig. 1‐2

未经允许不得转载:苏州利玛特能源装备有限公司 ? 冷冻机的原理
分享到

相关推荐

评论 ()

联系我们

联系人:朱先生 13961036109

无标题文档

联系我们

朱先生

13961036109

主站蜘蛛池模板: 东莞市| 巫溪县| 连云港市| 拜城县| 平武县| 邹平县| 武冈市| 昌平区| 贵港市| 溧阳市| 会同县| 丹凤县| 濉溪县| 永顺县| 咸丰县| 安康市| 阿合奇县| 尚义县| 怀柔区| 仁化县| 东台市| 东兴市| 马边| 漳州市| 高尔夫| 平阳县| 宜君县| 宁海县| 黑龙江省| 平和县| 呼伦贝尔市| 津市市| 繁昌县| 柳林县| 皮山县| 东乡县| 祁东县| 大竹县| 故城县| 蒲江县| 炎陵县|